Electronic design
The air quality device consists of a series of components, explained in following table, which shows the main features of each one.
| Component | Model | Features |
|---|---|---|
Microcontroller Board |
Arduino Nano 33 BLE Sense Rev 2 | This board was chosen for its integrated microphone, low weight, and multiple sensors (color, proximity, motion, temperature, and humidity, among others). It allows for the connection of communication modules (via UART or I2C) to send real-time data to a server. |
Battery and power management |
Seeed Studio Boost LiPo Rider Plus | Power and autonomy management for the device from the Seeed Studio brand. It features a 1-cell (3.7V) LiPo battery input and a USB-C connector for 5V power supply. It allows simultaneous battery charging and device powering. It includes a DC-DC boost converter to step up the voltage to 5V, which is needed by other devices like the PM/VOCs sensor and the communication module. |
AC-DC Converter and battery |
5V@1A Power Supply 900 mAh LiPo Battery | Extra components to provide power via a power supply and/or a battery. |
RTC Module |
DFR0641 DS3231M | It ensures reliable synchronization for data collection and for averaging every 10 minutes without accumulating delays. Obtained from the DFRobot brand, it was included because the microcontroller's internal RTC could not be implemented. |
NB-IoT Module |
M5Stack U111 | This component from M5Stack was selected for communication because NB-IoT technology offers the best nationwide coverage and can operate without an external access point, using the mobile provider's antennas instead. This type of technology is characterized as LPWA (Low-Power Wide-Area), consuming less power compared to others. This component includes the SIM7020G (SIMCOM) communication module. |
CO2 Sensor |
Amphenol Telaire T6793-5K | This NDIR (Non-Dispersive Infrared) optical sensor from Amphenol Advanced Sensor was chosen for CO2 measurement. It has a precision of 400-5000 ppm ± 45 ppm, with a 5-second sampling interval. |
PM and VOCs Sensor |
Sensirion SEN54 | This multisensor from the Sensirion brand is capable of measuring particulate matter (PM), volatile organic compounds (VOCs), temperature, and humidity. For PM measurement, it uses laser wavelength technology (DIN EN 60825-1 Class 1) with a concentration range of 0-1000 µg/m³ and can measure different sizes: PM1.0, PM2.5, PM4, and PM10. Regarding VOCs, it's based on metal oxide sensor technology, with a measurement range of 0-1000 ppm. |
The air quality device ultimately functions by sending all the parameters collected by the different sensors every ten minutes, thanks to the communication module created in conjunction with the RTC. This way, if there are no data transmission failures, a total of 144 daily data points are obtained for each of the parameters collected by the CO2 and SEN54 sensors.
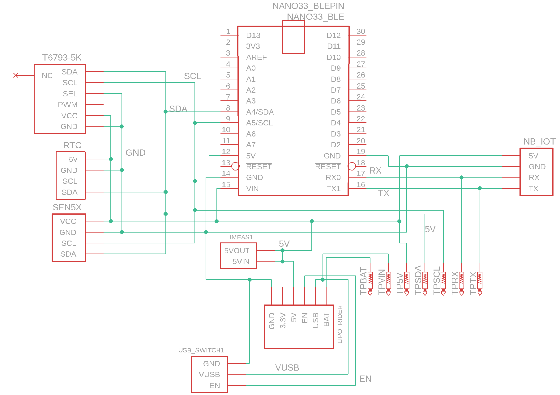
Schematics
The figure shows the schematic design for connecting the device's various components, serving as the basis for the necessary PCB design.

Communication between the micro and the NB-IoT module is done via the UART protocol, using the Tx and Rx pins. For the rest of the components (sensors and RTC), communication is performed via I2C. Additionally, all components are powered with 5 volts. A pair of pins were also added to open the power circuit to allow for physical control and to easily measure power consumption. Thus, the board design includes traces on both the top and bottom for connecting the different components.
The connectors chosen for connecting the components to the PCB were male and female headers for all components, except for the NB-IoT module, which used a female connector compatible with the one the module already had. For this, the Grove Female Header HY2.0-4P, an SMD slide type, was selected to connect the IoT module from the bottom of the board without taking up excessive space.
PCB
The figure shows both sides of the PCB. On it, you can see a couple of cutouts that were made on the board: one for the battery cable to pass through to the charging module (LiPo Rider Plus), and another to place the RTC vertically (in an "L" shape) and meet the rest of the size limitations.

In addition, several pads were added to the PCB, under the position of the charging module, to serve as test points to check the board's functionality once assembled. A pin jumper was also added to interrupt the power trace, allowing for a multimeter to be inserted to measure the device's consumption.
The last set of pins to highlight is a group of 4, also placed under the charging module, whose purpose is to enable the charging module. A two-position switch was added to this aspect to be able to cut the power, in case it is not desired to function in any way. The power and GROUND input from the AC/DC converter are added to two of these 4 pins, and the two wires from the switch are added to the other two pins to interrupt the voltage path to enable the charging module.
Thus, the assembly of the PCB with the components is shown in the figure, observing that it has been made with the minimum necessary dimensions to cover the parameters of the different components for their correct functioning.

Finally, the set of components with the PCB is inserted inside a protective casing made with 3D printing according to the necessary requirements, with special interest in the transit of air flow and its ergonomics for the intended audience, in addition to those indicated by the different components themselves.
Microcontroller Board
Battery and power management
AC-DC Converter and battery
RTC Module
NB-IoT Module
CO2 Sensor
PM and VOCs Sensor